Maico Radialgebläse 2318m3/h, Baugr.160 GRM 16/2 D Ex

Art.Nr.: 10161407099

EAN: 4012799733898

Verkaufseinheit: 1 Stück

Hersteller:  Maico

Update: 18.03.26, 04:02 Uhr



Artikel nicht lagernd
Artikel nicht lagernd
Prüfe Expressversandoptionen...

1.365,46 EUR UVP 2.159,85 EUR Sie sparen 36.8% (794,39 EUR) inkl. 19 % USt


Produktbeschreibung

<
p>
Merkmale<
/p>
<
p>
 - Radialgebläse mit Stahlblech mit Epoxidbeschichtung für Anwendungen in explosionsgefährdeten Bereichen.<
/p>
<
p>
 - Explosionsschutz nach ATEX 2014/34/EU.<
/p>
<
p>
 - Für alle Gase und Dämpfe der Ex-Gruppe IIA und IIB und zusätzlich für Wasserstoff qualifiziert.<
/p>
<
p>
 - Ex II 2 G Ex db IIB+H2 T4 Gb X / Ex II 2 G Ex h IIB+H2 T4 Gb X.<
/p>
<
p>
 - Für Einsatztemperaturen von -20 °C <= Ta <= +40 °C.<
/p>
<
p>
 - MAICO Ex-Ventilatoren erfüllen die Sicherheitsanforderungen der Europäischen Richtlinie RL 2014/34/EU für Geräte und Schutzsysteme in explosionsgefährdeten Bereichen.<
/p>
<
p>
 - Für Zone 1 und 2.<
/p>
<
p>
 - Zündschutzarten: d - druckfeste Kapselung und c - konstruktive Sicherheit.<
/p>
<
p>
 - Druckstarker Ventilator für industrielle Anwendungen.<
/p>
<
p>
 - Zur einfachen und direkten Montage an einem Rohrsystem.<
/p>
<
p>
 - Der Motor befindet sich außerhalb des Luftstroms.<
/p>
<
p>
 - Standardausrichtung für Gehäuse LG 270°.<
/p>
<
p>
 - Der Ansaugstutzen aus Stahlblech mit Epoxidbeschichtung ist im Lieferumfang enthalten.<
/p>
<
p>
 - Radiallaufräder mit vorwärtsgekrümmten Schaufeln aus verzinktem Stahlblech.<
/p>
<
p>
<
/p>
<
p>
Drehstrommotor<
/p>
<
p>
 - Dreiphasen Drehstrommotor.<
/p>
<
p>
 - Schutzart IP 55.<
/p>
<
p>
 - IE3 Motor.<
/p>
<
p>
 - Betriebsart S1 (Dauerbetrieb).<
/p>
<
p>
 - Temperaturklasse T4.<
/p>
<
p>
 - Drehzahlsteuerbar mit Frequenzumrichter.<
/p>
<
p>
 - Zulässiger Frequenzbereich bei Drehzahlsteuerung mit Frequenzumrichter sind 20-50 Hz.<
/p>
<
p>
 - Die Temperatur im Ventilatormotor wird durch Kaltleiter überwacht. Die Kaltleiter müssen an ein Auslösesystem (Sicherheitseinrichtung gemäß Richtlinie RL 2014/34/EU) angeschlossen werden, das den Ventilator bei zu hohen Temperaturen dauerhaft vom Netz trennt.<
/p>
<
p>
<
/p>
<
p>
Elektrischer Anschluss<
/p>
<
p>
 - Anschluss im Klemmenkasten am Motor.<
/p>
<
p>
 - Kabelverschraubung in Ex d-Ausführung im Lieferumfang enthalten.<
/p>
<
p>
<
/p>
<
p>
Artikel:<
/p>
<
p>
GRM 16/2 D Ex<
/p>
<
p>
 - Fördervolumen: 2318 m3/h<
/p>
<
p>
 - Drehzahl: 2880 1/min<
/p>
<
p>
 - Laufradtyp: radial<
/p>
<
p>
 - Drehzahlsteuerbar: ja<
/p>
<
p>
 - Reversierbarkeit: nein<
/p>
<
p>
 - Spannungsart: Drehstrom<
/p>
<
p>
 - Bemessungsspannung: 400 V<
/p>
<
p>
 - Netzfrequenz: 50 Hz<
/p>
<
p>
 - Nennleistung: 750 W<
/p>
<
p>
 - INenn: 1,8 A<
/p>
<
p>
 - Schutzart: IP 55<
/p>
<
p>
 - Wärmeklasse: F<
/p>
<
p>
 - Polumschaltbar: nein<
/p>
<
p>
 - Einbauort: Rohranschluss<
/p>
<
p>
 - Einbaulage: horizontal<
/p>
<
p>
 - Material: Stahlblech, verzinkt<
/p>
<
p>
 - Material Gehäuse: Stahl<
/p>
<
p>
 - Farbe: grau<
/p>
<
p>
 - Gewicht: 17 kg<
/p>
<
p>
 - Gewicht mit Verpackung: 18 kg<
/p>
<
p>
 - Baugröße: 160<
/p>
<
p>
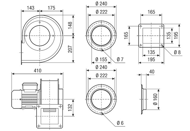
 - Breite: 390 mm<
/p>
<
p>
 - Höhe: 355 mm<
/p>
<
p>
 - Tiefe: 318 mm<
/p>
<
p>
 - Breite mit Verpackung: 520 mm<
/p>
<
p>
 - Höhe mit Verpackung: 480 mm<
/p>
<
p>
 - Tiefe mit Verpackung: 440 mm<
/p>
<
p>
 - EX-Bezeichnung nach ATEX-Richtlinie: Ex II 2 G<
/p>
<
p>
 - EX-Bezeichnung nach Norm: Ex db IIB+H2 T4 Gb X / Ex h IIB+H2 T4 Gb X<
/p>
<
p>
 - Ta-Umgebungstemperatur: -20 °C <= Ta <= +40 °C<
/p>
<
p>
 - Betriebsart: S1<
/p>
<
p>
 - PTC DIN 44082: M 100<
/p>
<
p>
 - Temperaturklasse: T4<
/p>

technische Daten

Hersteller: Maico
Verpackungseinheit: 1
Bezeichnung: Radialgebläse
Typenbezeichnung: GRM 16/2 D Ex
Hersteller - Artikelnummer: 0073.0389
Nennspannung: 400 V
Frequenz: 50 Hz
Leistungsaufnahme: 0,75 kW
Werkstoff des Gehäuses: Stahl
Luftmenge unbelastet: 2318 m³/h
Mediumtemperatur: -20..40 °C
Schutzart (IP): IP55
Nenndurchmesser Kanal: 160 mm
Einbauort: Rohr
Für Ex-Zone Gas: 1, 2
Für Ex-Zone Staub: ohne
Gerätegruppe nach Richtlinie 94/9/EG: II
Explosionsschutz-Kategorie für Gas: ATEX Gas-Ex-Schutz, Kat. 2G
Explosionsschutz-Kategorie für Staub: ohne
Temperaturklasse nach Richtlinie 94/9/EG: T4
Länge: 520
Breite: 480
Höhe: 440
Gewicht: 18
Zolltarifnummer: 84145935
Ursprungsland: IT
Reachkennzeichen: N
Kennzeichen Abakus: N
Artikelklasse: Explosionsgeschützter Ventilator

Lagerstatus

Lagerkennzeichen: Nichtlagerartikel () - Dieser Artikel kann bei positiven Lagerbestand nur noch abverkauft und auch beim Hersteller nachgeordert werden. Eine unter Umständen notwendige Nachbestellung beim Hersteller sollte nicht länger als 14 Tage in Anspruch nehmen. Achten Sie daher auf die Livelagerabfrage bzw. auf die Statusmeldung unseres Lagers im Warenkorb.

Downloads

 Schaltbild (0.31 MB)

Produkt-Fragen

Ihre Frage zum Produkt