WAGO GmbH & Co. KG Sicherer Digitalein-/Ausg. ang, 4/4 Kanäl 753-667/000-104

Art.Nr.: 10481861099

EAN: 4066966510652

Verkaufseinheit: 1 Stück

Hersteller:  WAGO GmbH & Co. KG

Update: 23.04.26, 00:56 Uhr



Artikel nicht lagernd
Artikel nicht lagernd
Prüfe Expressversandoptionen...

574,71 EUR inkl. 19 % USt


Produktbeschreibung

Sicherer Digitalein-/-ausgang, 4/4 Kanäle
DC 24 V
2A
Logik
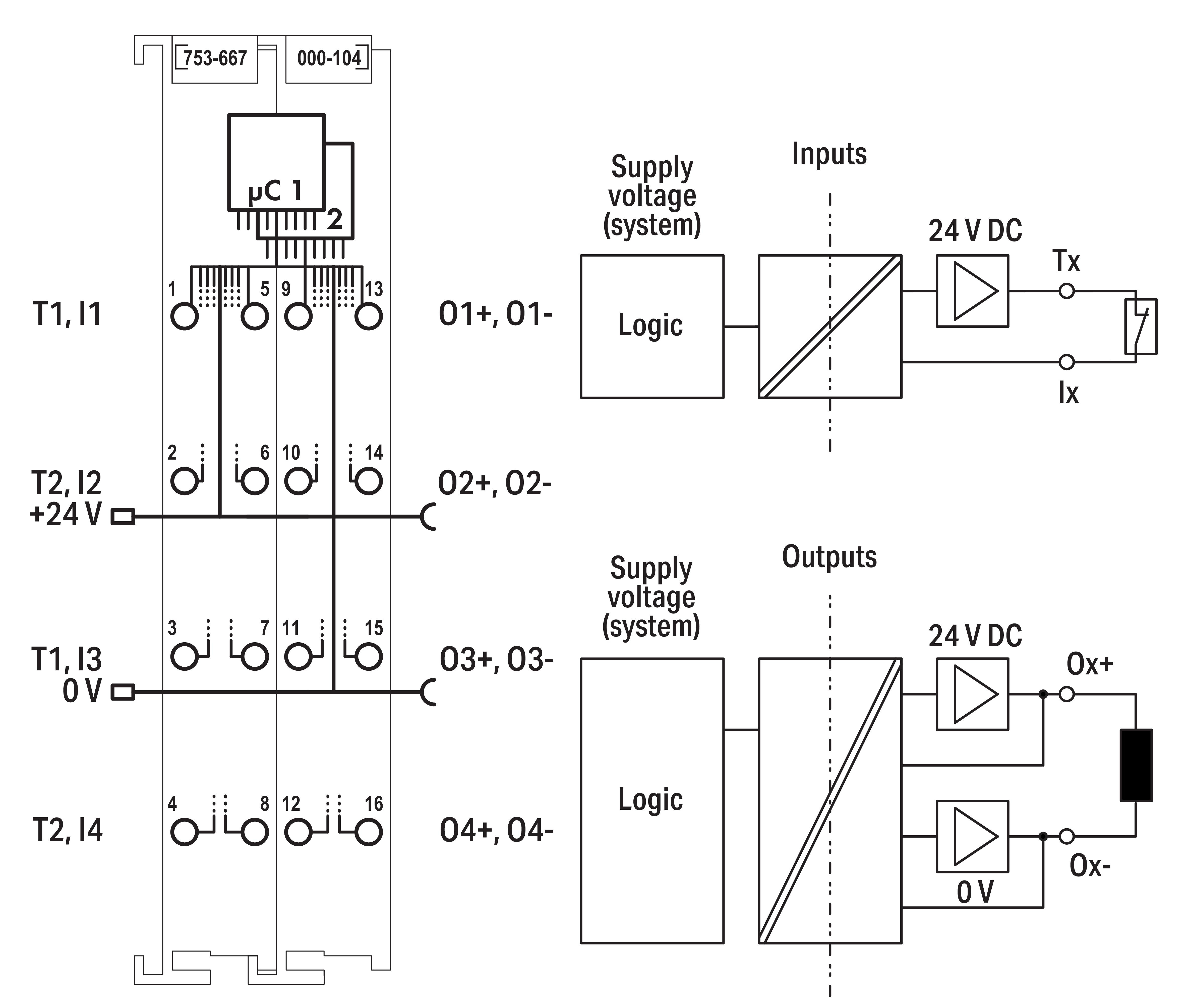
PROFIsafeDas Modul (Bestellnr. 75x-667/000-104) verfügt über 4 Leistungsausgänge (O1 O4) sowie 4 taktsensitive Eingänge (I1 I4) und kann eine funktional sichere Verknüpfung der sicheren digitalen Eingänge und Ausgänge vornehmen. Auf diese Weise ist das Modul selbständig in der Lage, seine sicheren digitalen Ausgänge anzusteuern. Somit lassen sich sichere Applikationen bis SIL 3 / PL e auch ohne den Einsatz einer Sicherheitssteuerung einfach realisieren, z.B. in Kombination mit den WAGO Steuerungen PFC100, PFC200, PFC300 und dem WAGO Basic Controller 100.

Das Modul verfügt über parametrierbare virtuelle Ein- und Ausgänge und ist somit in der Lage, weitere virtuelle Ausgangswerte von einer Steuerung zu empfangen und diese Information mit den sicheren digitalen Eingängen zu verknüpfen. Die interne Logik wird über den WAGO Safety-Editor (SEDI) parametriert.

Die Sensoren können direkt mit 24 V oder durch die 2 unterschiedlich getakteten Ausgänge (T1 T2) gespeist werden. An den Eingängen können sowohl potentialfreie, kontaktbehaftete Not-Aus-Taster, Schutztür- oder Betriebsartenwahlschalter als auch sichere Sensoren oder sichere Halbleiterausgänge (z.B. Lichtschranken, SPS-Ausgänge) angeschlossen werden. Die Leistungsausgänge schalten ohmsche und induktive Lasten gemäß DC 13 mit einem Nennstrom von bis zu 2 A ohne externe Zusatzbeschaltung.

Die Leistungsausgänge können sowohl bipolar (High-Side-/Low-Side-Schaltung) als auch unipolar (gemeinsames Potential auf einer Seite der Last) betrieben werden. Kurzschluss, Querschluss und 24V-Fremdeinspeisung werden überwacht. Die Überwachung und weitere sicherheitsrelevante Parameter wie z.B. Betriebsarten bzw. Abschalten der Testimpulse, Diskrepanzzeiten oder Filterzeiten sind über WAGO-I/O-CHECK parametrierbar.

Das Parametriertool kann in Engineeringsysteme, welche die Aufrufschnittstelle TCI (Tool Calling Interface) mit CC2 bzw. CC3 unterstützen, komfortabel integriert werden. An dem seitlich angeordneten Kodierschalter oder alternativ über WAGO-I/O-CHECK wird die PROFIsafe-Adresse eingestellt.

Das Modul kann ohne eine sichere Steuerung und feldbusunabhängig betrieben werden, unterstützt aber auch das PROFIsafe-Protokoll V2.6 (PROFINET®). Feld- und Systemebene sind galvanisch voneinander getrennt. Die Anordnung der einzelnen sicheren Module ist bei der Projektierung im Feldbusknoten beliebig.

Zum Schutz gegen Surge und Burst (gemäß IEC 61000-6-7 und Schifffahrtsbereich) für die 24V-Einspeisung ist ein WAGO Filtermodul oder ein geeigneter externer Filter einzusetzen. Weitere Informationen sind dem Handbuch (Deutsch und Englisch) zu entnehmen! Das Modul (Bestellnr. 75x-667/000-104) wurde von UL gemäß den Standards UL/CSA 61010-1, UL/CSA 61010-2-201 und UL 121201, CSA-C22.2 No. 213 evaluiert.
Die Bewertung der funktionalen Sicherheit nach den genannten Normen wurde vom TÜV Rheinland durchgeführt.

Weitere Informationen und Beispiele können Sie im WAGO Downloadcenter (link: https://downloadcenter.wago.com/wago/learning-material"
>Learning Material WAGO Download Center) finden.

technische Daten

Hersteller: WAGO GmbH & Co. KG
Verpackungseinheit: 1
Bezeichnung: Sicherer Digitalein-/Ausg.
Typenbezeichnung: 753-667/000-104
Hersteller - Artikelnummer: 753-667/000-104
Herstellerprogramm: Produktgruppe 15
Versorgungsspannung bei DC: 24 V
Spannungsart der Versorgungsspannung: DC
Anzahl der digitalen Eingänge: 4
Anzahl der digitalen Ausgänge: 4
Digitale Eingänge konfigurierbar: nein
Digitale Ausgänge konfigurierbar: nein
Eingangsstrom bei Signal 1: 3 mA
Art der Eingangsspannung: DC
Ausgangsstrom: 2 A
Zulässige Spannung am Ausgang: 24 V
Art der Ausgangsspannung: DC
Kurzschlussschutz, Ausgänge vorhanden: ja
Mit optischer Schnittstelle: nein
Unterstützt Protokoll für EtherCAT: nein
Unterstützt Protokoll für TCP/IP: nein
Unterstützt Protokoll für PROFIBUS: ja
Unterstützt Protokoll für CAN: nein
Unterstützt Protokoll für INTERBUS: nein
Unterstützt Protokoll für ASI: nein
Unterstützt Protokoll für KNX: nein
Unterstützt Protokoll für MODBUS: nein
Unterstützt Protokoll für Data-Highway: nein
Unterstützt Protokoll für DeviceNet: nein
Unterstützt Protokoll für SUCONET: nein
Unterstützt Protokoll für LON: nein
Unterstützt Protokoll für PROFINET IO: ja
Unterstützt Protokoll für PROFINET CBA: ja
Unterstützt Protokoll für SERCOS: nein
Unterstützt Protokoll für Foundation Fieldbus: nein
Unterstützt Protokoll für EtherNet/IP: nein
Unterstützt Protokoll für AS-Interface Safety at Work: nein
Unterstützt Protokoll für DeviceNet Safety: nein
Unterstützt Protokoll für INTERBUS-Safety: nein
Unterstützt Protokoll für PROFIsafe: ja
Unterstützt Protokoll für SafetyBUS p: nein
Unterstützt Protokoll für sonstige Bussysteme: nein
Funkstandard Bluetooth: nein
Funkstandard WLAN 802.11: nein
Funkstandard GPRS: nein
Funkstandard GSM: nein
Funkstandard UMTS: nein
IO-Link Master: nein
Systemkomponente: ja
Schutzart (IP): IP20
Ausführung des elektrischen Anschlusses: Federzuganschluss
Feldbusanschluss über seperaten Buskoppler möglich: ja
Tragschienenmontage möglich: ja
Wand-/Direktmontage möglich: nein
Fronteinbau möglich: nein
Rack-Montage möglich: nein
Geeignet für Sicherheitsfunktionen: ja
SIL nach IEC 61508: 3
Performance Level nach EN ISO 13849-1: Level e
Zugehöriges Betriebsmittel (Ex ia): nein
Zugehöriges Betriebsmittel (Ex ib): nein
Explosionsschutz-Kategorie für Gas: ATEX Gas-Ex-Schutz, Kat. 3G
Explosionsschutz-Kategorie für Staub: ATEX Staub-Ex-Schutz, Kat. 3D
Zertifiziert für UL-Gefahrenbereich Klasse I: ja
Zertifiziert für UL-Gefahrenbereich Klasse II: nein
Zertifiziert für UL-Gefahrenbereich Klasse III: nein
Zertifiziert für UL-Gefahrenbereich Division 1: ja
Zertifiziert für UL-Gefahrenbereich Division 2: nein
Zertifiziert für UL-Gefahrenbereich Gruppe A (Acetylen): ja
Zertifiziert für UL-Gefahrenbereich Gruppe B (Wasserstoff): ja
Zertifiziert für UL-Gefahrenbereich Gruppe C (Ethylen): ja
Zertifiziert für UL-Gefahrenbereich Gruppe D (Propan): ja
Zertifiziert für UL-Gefahrenbereich Gruppe E (Metallstäube): nein
Zertifiziert für UL-Gefahrenbereich Gruppe F (kohlenstoffhaltige Stäube): nein
Zertifiziert für UL-Gefahrenbereich Gruppe G (nicht leitende Stäube): nein
Breite: 24 mm
Höhe: 100 mm
Tiefe: 67,8 mm
Zolltarifnummer: 85371098
Ursprungsland: DE
Reachkennzeichen: N
Kennzeichen Abakus: N
Artikelklasse: Feldbus, Dez. Peripherie - Digitales Ein-/Ausgangs-Modul

Lagerstatus

Lagerkennzeichen: Nichtlagerartikel () - Dieser Artikel kann bei positiven Lagerbestand nur noch abverkauft und auch beim Hersteller nachgeordert werden. Eine unter Umständen notwendige Nachbestellung beim Hersteller sollte nicht länger als 14 Tage in Anspruch nehmen. Achten Sie daher auf die Livelagerabfrage bzw. auf die Statusmeldung unseres Lagers im Warenkorb.

Produkt-Fragen

Ihre Frage zum Produkt