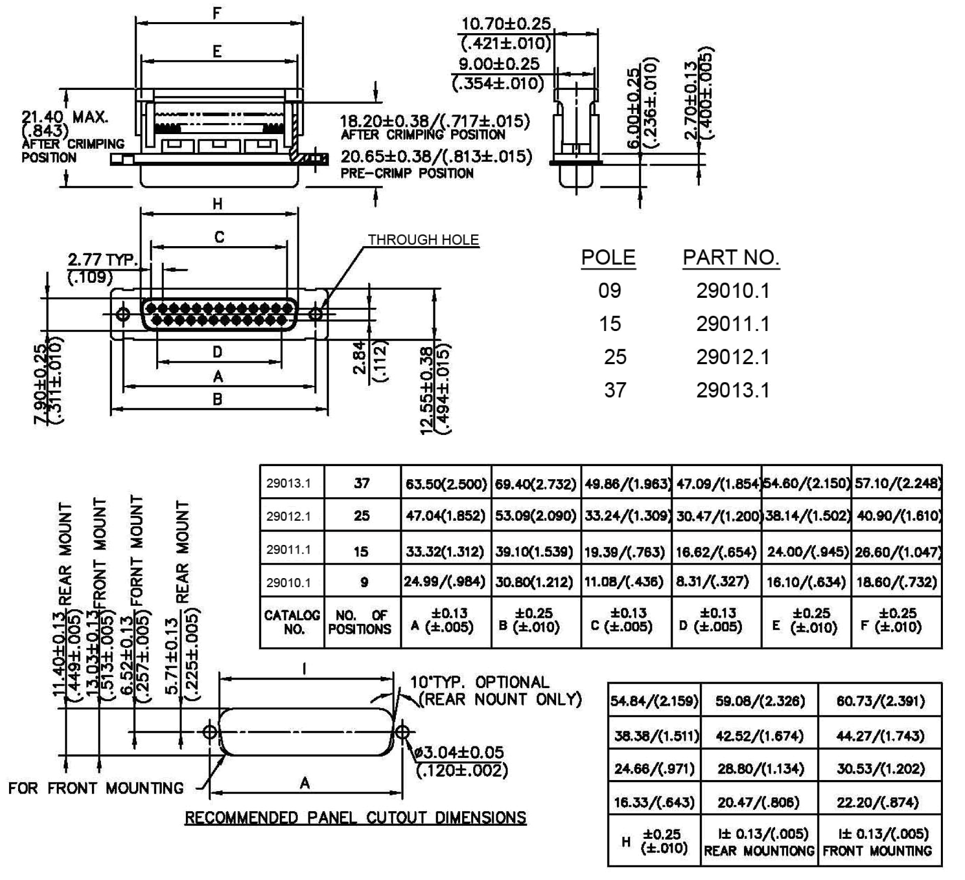
EFB-Elektronik D-Sub Buchse Schneid-Klemm EDFF 25 LPIII/Z 29012.1

Art.Nr.: 10453552799

EAN: 4049759038366

Verkaufseinheit: 1 Stück

Hersteller:  EFB-Elektronik

Update: 07.10.25, 03:34 Uhr



Artikel nicht lagernd
Artikel nicht lagernd
Prüfe Expressversandoptionen...

1,88 EUR UVP 9,28 EUR Sie sparen 79.8% (7,41 EUR) inkl. 19 % USt


Produktbeschreibung

Gütestufe III. ? 50 Steckzyklen.

technische Daten

Hersteller: EFB-Elektronik
Verpackungseinheit: 1
Bezeichnung: D-Sub Buchse Schneid-Klemm
Typenbezeichnung: 29012.1
Hersteller - Artikelnummer: 29012.1
Ausführung: Buchse (Jack)
Polzahl: 25
Kontaktausführung: weiblich (female)
Anschlussart: sonstige
Länge: 299
Breite: 266
Höhe: 299
Gewicht: 0,55
Zolltarifnummer: 85366990
Ursprungsland: TW
Reachkennzeichen: N
Kennzeichen Abakus: N
Artikelklasse: D-Sub-Steckverbinder

Lagerstatus

Lagerkennzeichen: Nichtlagerartikel () - Dieser Artikel kann bei positiven Lagerbestand nur noch abverkauft und auch beim Hersteller nachgeordert werden. Eine unter Umständen notwendige Nachbestellung beim Hersteller sollte nicht länger als 14 Tage in Anspruch nehmen. Achten Sie daher auf die Livelagerabfrage bzw. auf die Statusmeldung unseres Lagers im Warenkorb.

Produkt-Fragen

Ihre Frage zum Produkt