DEHN Überspannungsableiter DEHNpipe Ex (i)(d) DPI CD EXI+D 2X24 N

Art.Nr.: 10590848099

EAN: 4013364137394

Verkaufseinheit: 1 Stück

Hersteller:  DEHN

Update: 24.04.26, 08:33 Uhr



Artikel nicht lagernd
Artikel nicht lagernd
Prüfe Expressversandoptionen...

156,95 EUR UVP 326,42 EUR Sie sparen 51.9% (169,47 EUR) inkl. 19 % USt


Produktbeschreibung

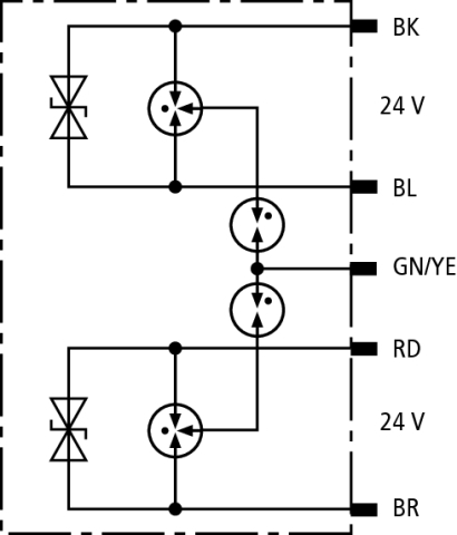
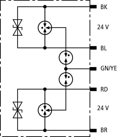
Überspannungsableiter in druckfester Kapselung zum Einsatz in explosionsgefährdeten Bereichen zum Schutz von zwei 24 V-Schnittstellen.

technische Daten

Hersteller: DEHN
Verpackungseinheit: 1
Bezeichnung: Überspannungsableiter
Typenbezeichnung: DPI CD EXI+D 2X24 N
Hersteller - Artikelnummer: 929951
Nennspannung DC: 24 V
Höchste Dauerspannung AC: 25,4 V
Höchste Dauerspannung DC: 36 V
Nennableitstoßstrom (8/20): 20 kA
Blitzstoßstrom (10/350 µs): 1,5 kA
Nennlaststrom: 0,55 A
Schutzpegel Ader/Ader: 50 V
Schutzpegel Ader/Erde: 1200 V
Montageart: sonstige
Anschluss 1: Anschlussleitung
Ableiterüberwachung: nein
Mit Fernmeldekontakt: nein
Explosionsgeprüfte Ausführung: ja
Trennmöglichkeit des Signalkreises: nein
Anzahl der Leiter (ohne Erde): 4
Erdung über: separater Leiter
Schutzart (IP): IP67
Länge: 168
Breite: 75
Höhe: 39
Gewicht: 0,247
Zolltarifnummer: 85363010
Ursprungsland: DE
Reachkennzeichen: J
Kennzeichen Abakus: N
Artikelklasse: Überspannungsableiter für Informations-/MSR-Technik

Lagerstatus

Lagerkennzeichen: Nichtlagerartikel () - Dieser Artikel kann bei positiven Lagerbestand nur noch abverkauft und auch beim Hersteller nachgeordert werden. Eine unter Umständen notwendige Nachbestellung beim Hersteller sollte nicht länger als 14 Tage in Anspruch nehmen. Achten Sie daher auf die Livelagerabfrage bzw. auf die Statusmeldung unseres Lagers im Warenkorb.

Downloads

 Schaltbild (0.07 MB)

Produkt-Fragen

Ihre Frage zum Produkt