BEG Brück Electronic Präsenzmelder PD4-M-HCL2-DE

Art.Nr.: 10641382199

EAN: 4007529934843

Verkaufseinheit: 1 Stück

Hersteller:  BEG Brück Electronic

Update: 15.04.26, 07:29 Uhr



Artikel nicht lagernd
Artikel nicht lagernd
Prüfe Expressversandoptionen...

265,32 EUR UVP 389,95 EUR Sie sparen 32% (124,63 EUR) inkl. 19 % USt


Produktbeschreibung

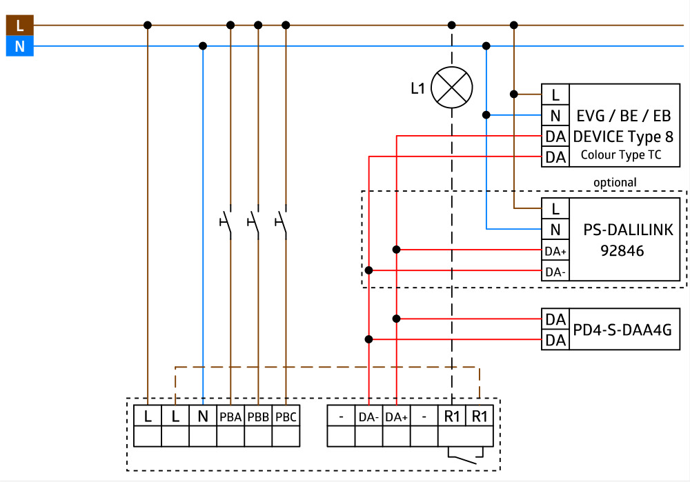
Bidirektionaler Präsenzmelder mit integriertem DALI-Applikations-Controller für eine energieeffiziente und biologisch wirksame Lichtsteuerung (Human Centric Lighting), Integrierte DALI-Spannungsversorgung und 3 Tastereingänge, Voreingestellte und frei einstellbare HCL-Kurven (12 Ankerpunkte pro 24h), Einstellbarer Kommunikationsmodus "
Broadcast"
(1 Lichtzone, ohne Adressierung) oder "
Multicast"
(mehrere Lichtzonen, HKL, mit Adressierung), Dim-2-Warm: Mit einem langen Tastendruck kann Helligkeit und Farbtemperatur zugleich stufenlos eingestellt werden, Aufruf von Lichtszenen mit Zubehör, Mischlichtmessung mittels innen- und außenliegendem Lichtsensor, Außenliegender Lichtsensor ist um 45 Grad schwenkbar, Leistungsstarkes Schaltrelais mit verschiedenen Betriebsarten, wie z.B. Cutoff-Funktion für DALI-EVG, HKL, Tafelbeleuchtung., Schnelle Inbetriebnahme- und Wartungsprozesse über Smartphone/Tablet App (Android, iOS) - Kein PC-Tool erforderlich, Erweiterung des Erfassungsbereiches mit bis zu 8 B.E.G. BMS Multisensoren möglich, Bis zu 64 DT8-Treiber-Leuchten (Colour Type Tc), ggf. Verdoppelung des DALI-Ausgangsstroms mit Zubehör erforderlich, Voller Funktionsumfang ist nur mit dem BLE-IR-Adapter und einem Smartphone oder Tablet (Android, iOS) aktivierbar

technische Daten

Hersteller: BEG Brück Electronic
Verpackungseinheit: 1
Bezeichnung: Präsenzmelder
Typenbezeichnung: PD4-M-HCL2-DE
Hersteller - Artikelnummer: 93484
Herstellerprogramm: DALI
Bussystem KNX: nein
Bussystem KNX-Funk: nein
Bussystem Funkbus: nein
Bussystem LON: nein
Bussystem Powernet: nein
Andere Bussysteme: sonstige
Funk bidirektional: nein
Ausführung: Präsenzmelder
Montageart: sonstige
Geeignet für Deckenmontage: ja
Geeignet für Wandmontage: nein
Werkstoff: Kunststoff
Werkstoffgüte: sonstige
Oberflächenschutz: sonstige
Ausführung der Oberfläche: matt
Farbe: weiß
RAL-Nummer (ähnlich): 9010
Transparent: nein
Mit Busankopplung: ja
Nebenstelleneingang: ja
Busspannungsversorgung: nein
Unterkriechschutz/Rückfeldüberwachung: ja
Rückfeldüberwachung: nein
Betriebsartenschalter: ja
Tierschneise: nein
Treppenhausüberwachung: nein
Ansprechhelligkeit einstellbar: ja
Teach-Funktion für Ansprechhelligkeit: ja
Ausschaltverzögerung selbstlernend: nein
DALI-2 zertifiziert: nein
Mit Akustiksensor: nein
Optimale Montagehöhe: 2,5 m
Max. Reichweite zu einer Seite: 12 m
Max. Reichweite frontal: 8 m
Erfassungsfeld Durchmesser auf Fußboden: 24 m
Anzahl der Kanäle: 4
Schaltleistung: 2300 W
Min. Einschaltdauer: 60 s
Max. Einschaltdauer: 150 min
Höhe: 100 mm
Durchmesser: 117 mm
Mit Anschlusskabel: nein
Länge des Anschlusskabels: 0 mm
Länge: 475
Breite: 543
Höhe: 530
Gewicht: 20,261
Zolltarifnummer: 85365080
Ursprungsland: CN
Reachkennzeichen: N
Kennzeichen Abakus: N
Artikelklasse: Bussystem-Bewegungsmelder

Lagerstatus

Lagerkennzeichen: Nichtlagerartikel () - Dieser Artikel kann bei positiven Lagerbestand nur noch abverkauft und auch beim Hersteller nachgeordert werden. Eine unter Umständen notwendige Nachbestellung beim Hersteller sollte nicht länger als 14 Tage in Anspruch nehmen. Achten Sie daher auf die Livelagerabfrage bzw. auf die Statusmeldung unseres Lagers im Warenkorb.

Downloads

Produkt-Fragen

Ihre Frage zum Produkt