BEG Brück Electronic Präsenzmelder DALI PD4-M-DAA4G-DE

Art.Nr.: 10641381199

EAN: 4007529925919

Verkaufseinheit: 1 Stück

Hersteller:  BEG Brück Electronic

Update: 19.02.26, 03:48 Uhr



Artikel nicht lagernd
Artikel nicht lagernd
Prüfe Expressversandoptionen...

225,53 EUR UVP 344,09 EUR Sie sparen 34.5% (118,56 EUR) inkl. 19 % USt


Produktbeschreibung

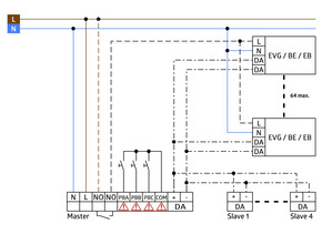
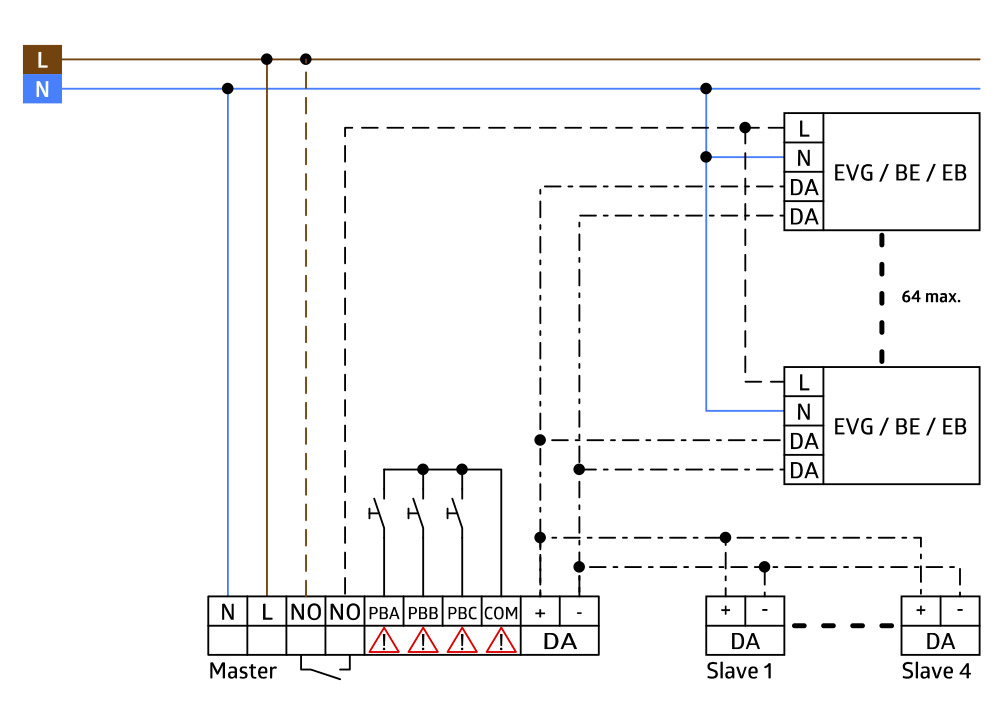
Flexible DALI-Kompaktlösung speziell für Konferenz-, Schulungs- und Klassenräume, Hochsensibler Präsenzmelder mit der Fähigkeit, bis zu 64 DALI-EVG automatisch zu adressieren und segmentiert über 4 Gruppen zu steuern, Schnelle Inbetriebnahme- und Wartungsprozesse über Smartphone/Tablet App (Android, iOS) - Kein PC-Tool erforderlich, 3 Lichtzonen:, A für die Hauptbeleuchtung mit segmentierter Konstantlichtregelung über 3 DALI-Gruppen und Offset-Steuerung,, B für Pult- oder Tafelbeleuchtung über separate DALI-Gruppe,, C für Pult- oder Tafelbeleuchtung über integriertes Relais, Leistungsstarkes Schaltrelais mit verschiedenen Betriebsarten, wie z.B. Cutoff-Funktion für DALI-EVG, HKL, Tafelbeleuchtung., Manuelles Schalten und Dimmen über konventionelle Taster möglich, Erweiterung des Erfassungsbereiches mit maximal 4 PD4-S-DAA4G Slave-Geräten möglich, Voller Funktionsumfang ist nur mit dem B.E.G. IR-Adapter oder dem BLE-IR-Adapter und einem Smartphone oder Tablet (Android, iOS) aktivierbar, Außenliegender Lichtsensor ist um 45 Grad schwenkbar, Vermeidung von Standbyverlusten der Beleuchtungsanlage nach EnEV DIN V 18599-4

technische Daten

Hersteller: BEG Brück Electronic
Verpackungseinheit: 1
Bezeichnung: Präsenzmelder
Typenbezeichnung: PD4-M-DAA4G-DE
Hersteller - Artikelnummer: 92591
Herstellerprogramm: DALI
Bussystem KNX: nein
Bussystem KNX-Funk: nein
Bussystem Funkbus: nein
Bussystem LON: nein
Bussystem Powernet: nein
Andere Bussysteme: sonstige
Funk bidirektional: nein
Ausführung: Präsenzmelder
Montageart: sonstige
Geeignet für Deckenmontage: ja
Geeignet für Wandmontage: nein
Werkstoff: Kunststoff
Werkstoffgüte: sonstige
Oberflächenschutz: unbehandelt
Ausführung der Oberfläche: matt
Farbe: weiß
RAL-Nummer (ähnlich): 9010
Transparent: nein
Mit Busankopplung: ja
Nebenstelleneingang: ja
Busspannungsversorgung: nein
Unterkriechschutz/Rückfeldüberwachung: ja
Rückfeldüberwachung: nein
Betriebsartenschalter: ja
Tierschneise: nein
Treppenhausüberwachung: ja
Ansprechhelligkeit einstellbar: ja
Teach-Funktion für Ansprechhelligkeit: ja
Ausschaltverzögerung selbstlernend: nein
DALI-2 zertifiziert: nein
Mit Akustiksensor: nein
Optimale Montagehöhe: 2,5 m
Max. Reichweite zu einer Seite: 12 m
Max. Reichweite frontal: 8 m
Erfassungsfeld Durchmesser auf Fußboden: 24 m
Anzahl der Kanäle: 4
Schaltleistung: 2300 W
Min. Einschaltdauer: 60 s
Max. Einschaltdauer: 150 min
Höhe: 100 mm
Durchmesser: 117 mm
Mit Anschlusskabel: nein
Länge des Anschlusskabels: 0 mm
Länge: 518
Breite: 475
Höhe: 534
Gewicht: 20,664
Zolltarifnummer: 85365080
Ursprungsland: CN
Reachkennzeichen: N
Kennzeichen Abakus: N
Artikelklasse: Bussystem-Bewegungsmelder

Lagerstatus

Lagerkennzeichen: Nichtlagerartikel () - Dieser Artikel kann bei positiven Lagerbestand nur noch abverkauft und auch beim Hersteller nachgeordert werden. Eine unter Umständen notwendige Nachbestellung beim Hersteller sollte nicht länger als 14 Tage in Anspruch nehmen. Achten Sie daher auf die Livelagerabfrage bzw. auf die Statusmeldung unseres Lagers im Warenkorb.

Downloads

Produkt-Fragen

Ihre Frage zum Produkt