Turck Absoluter Drehgeber Multiturn REM116T6S8BALH1151

Art.Nr.: 10381329599

Verkaufseinheit: 1 Stück

Hersteller:  Turck

Update: 22.05.26, 10:09 Uhr



Artikel nicht lagernd
Artikel nicht lagernd
Prüfe Expressversandoptionen...

614,68 EUR inkl. 19 % USt


Produktbeschreibung

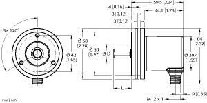
Absoluter Drehgeber - Multiturn, Industrial-Line, Synchroflansch, Ø 58 mm, Vollwelle, Ø 6 mm × 12,5 mm, Magnetisches Messprinzip, Wellenmaterial: Edelstahl, Schutzart IP 65 gehäuse- und wellenseitig, -40...+85°C, max. 4000 U / min (Dauerbetrieb: 2000), Energy Harvesting Technologie, 15 30 VDC, Analogausgang, 0 10 V auf 16 Umdrehungen CCW, 12 bit Auflösung, Steckverbinder, M12 x 1, 5-polig

technische Daten

Hersteller: Turck
Bezeichnung: Absoluter Drehgeber
Typenbezeichnung: REM116T6S8BALH1151
Hersteller - Artikelnummer: 100012470
Ausführung: sonstige
Physikalisches Messprinzip: magnetisch
Ausführung des elektrischen Anschlusses: Steckanschluss
Standard für Schnittstellen: analog
Durchmesser der Welle: 6 mm
Werkstoff des Gehäuses: sonstige
Schutzart (IP): IP65
Zolltarifnummer: 90318080
Ursprungsland: DE
Reachkennzeichen: N
Kennzeichen Abakus: N
Artikelklasse: Drehgeber

Lagerstatus

Lagerkennzeichen: Nichtlagerartikel () - Dieser Artikel kann bei positiven Lagerbestand nur noch abverkauft und auch beim Hersteller nachgeordert werden. Eine unter Umständen notwendige Nachbestellung beim Hersteller sollte nicht länger als 14 Tage in Anspruch nehmen. Achten Sie daher auf die Livelagerabfrage bzw. auf die Statusmeldung unseres Lagers im Warenkorb.

Downloads

Produkt-Fragen

Ihre Frage zum Produkt