Weidmüller Optokoppler Termseries TOZ 230VUC 48VDC0,1A
%
Abbildung ähnlich.

 

Weidmüller Optokoppler Termseries TOZ 230VUC 48VDC0,1A

Art.Nr.: 10078984899

EAN: 4032248908578

Verkaufseinheit: 10 Stück

Hersteller:  Weidmüller

Update: 25.03.26, 03:44 Uhr



Artikel nicht lagernd
Artikel nicht lagernd
Prüfe Expressversandoptionen...

282,51 EUR UVP 471,24 EUR Sie sparen 40.1% (188,73 EUR) inkl. 19 % USt


Produktbeschreibung

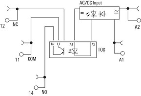
Halbleiterrelais für das Schalten und Verstärken von digitalen Signalen. Das Relais arbeitet verschleißfrei und geräuschlos. Steuerstromkreis und Laststromkreis sind galvanisch getrennt.

technische Daten

Hersteller: Weidmüller
Verpackungseinheit: 10
Bezeichnung: Optokoppler
Typenbezeichnung: TOZ 230VUC 48VDC0,1A
Hersteller - Artikelnummer: 1127100000
Herstellerprogramm: TERMSERIES
Eingangsspannung: 207..253 V
Art der Eingangsspannung: AC/DC
Ausgangsspannung: 3..48 V
Art der Ausgangsspannung: DC
Bemessungsbetriebsstrom Ie: 0,1 A
Art des Digitalausgangs: Transistor
Mit LED-Anzeige: ja
Länge: 104
Breite: 93
Höhe: 71
Gewicht: 0,315
Zolltarifnummer: 85364900
Ursprungsland: CN
Reachkennzeichen: J
Kennzeichen Abakus: N
Artikelklasse: Optokoppler

Lagerstatus

Lagerkennzeichen: Nichtlagerartikel () - Dieser Artikel kann bei positiven Lagerbestand nur noch abverkauft und auch beim Hersteller nachgeordert werden. Eine unter Umständen notwendige Nachbestellung beim Hersteller sollte nicht länger als 14 Tage in Anspruch nehmen. Achten Sie daher auf die Livelagerabfrage bzw. auf die Statusmeldung unseres Lagers im Warenkorb.

Produkt-Fragen

Ihre Frage zum Produkt