Eaton Motorschutzrelais EMT6-DB

Art.Nr.: 10072850499

EAN: 4015080661672

Verkaufseinheit: 1 Stück

Hersteller:  eaton

Update: 14.12.25, 04:13 Uhr



Artikel lagernd
Artikel lagernd
Prüfe Expressversandoptionen...

161,41 EUR UVP 290,36 EUR Sie sparen 44.4% (128,95 EUR) inkl. 19 % USt


Produktbeschreibung

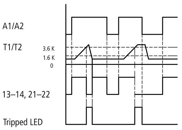
Thermistor-Maschinenschutzrelais, Netz und Fehler LED-Anzeige, Bemessungssteuerspeisespannung 24-240V 50-60Hz, 24-240V DC umschaltbar mit/ohne Wiedereinschaltsperre, für Hand oder Fernrückstellung, Testtaste, Schnappmontage

technische Daten

Hersteller: Eaton
Verpackungseinheit: 1
Bezeichnung: Motorschutzrelais
Typenbezeichnung: EMT6-DB
Hersteller - Artikelnummer: 066167
Herstellerprogramm: Moeller series
Ausführung des elektrischen Anschlusses: Schraubanschluss
Mit abnehmbaren Klemmen: nein
Spannungsart der Versorgungsspannung: AC/DC
Versorgungsspannung bei AC 50 Hz: 24..240 V
Versorgungsspannung bei AC 60 Hz: 24..240 V
Versorgungsspannung bei DC: 24..240 V
Anzahl der Messkreise: 1
Fehlerspeicherung möglich: nein
Externer Reset möglich: ja
Temperaturmessbereich: 0 °C
Widerstandsmessbereich: 750..12000 Ohm
Anschlussart Hilfsstromkreis: Schraubanschluss
Anzahl der Kontakte als Öffner: 1
Anzahl der Kontakte als Schließer: 1
Spannungsart der Betriebsspannung: AC/DC
Betriebsspannung bei AC 50 Hz: 24..240 V
Betriebsspannung bei AC 60 Hz: 24..240 V
Betriebsspannung bei DC: 24..240 V
Bemessungsschaltstrom: 6 A
Breite: 23 mm
Höhe: 83 mm
Tiefe: 103 mm
Länge: 1200
Breite: 800
Höhe: 1150
Gewicht: 379,88
Zolltarifnummer: 85364900
Ursprungsland: CN
Reachkennzeichen: N
Kennzeichen Abakus: N
Artikelklasse: Temperaturüberwachungsgerät

Lagerstatus

Lagerkennzeichen: Bestandsgeführter Zentrallagerartikel (Z) - Dieser Artikel sollte sich immer in ausreichender Anzahl auf Lager befinden. Eine unter Umständen notwendige Nachbestellung beim Hersteller sollte nicht länger als 7 Tage in Anspruch nehmen. Achten Sie auf die Livelagerabfrage bzw. auf die Statusmeldung unseres Lagers im Warenkorb.

Produkt-Fragen

Ihre Frage zum Produkt