Siemens MDA EB-Mikrowelle iQ500 BF525LMW0

Art.Nr.: 10443442899

EAN: 4242003805510

Verkaufseinheit: 1 Stück

Hersteller:  Siemens MDA

Update: 16.01.26, 03:30 Uhr



Artikel nicht lagernd
Artikel nicht lagernd
Prüfe Expressversandoptionen...

565,50 EUR UVP 905,00 EUR Sie sparen 37.5% (339,50 EUR) inkl. 19 % USt


Produktbeschreibung

Mikrowelle und Heizart Max. Leistung: 800 W
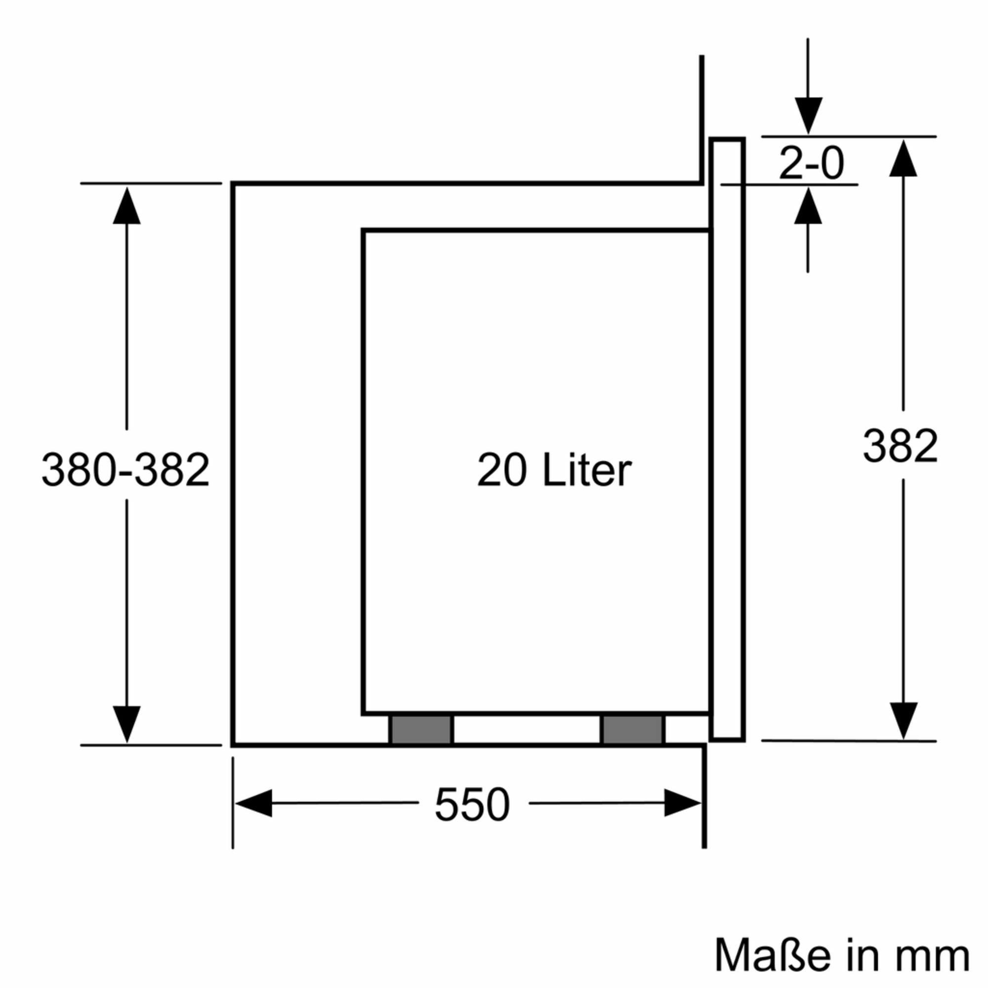
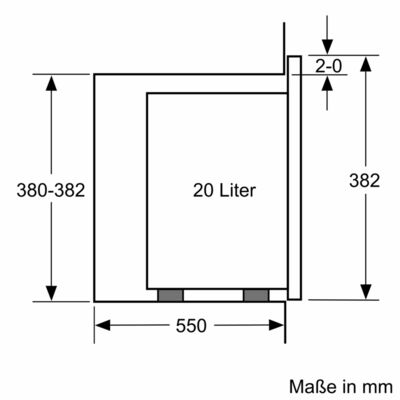
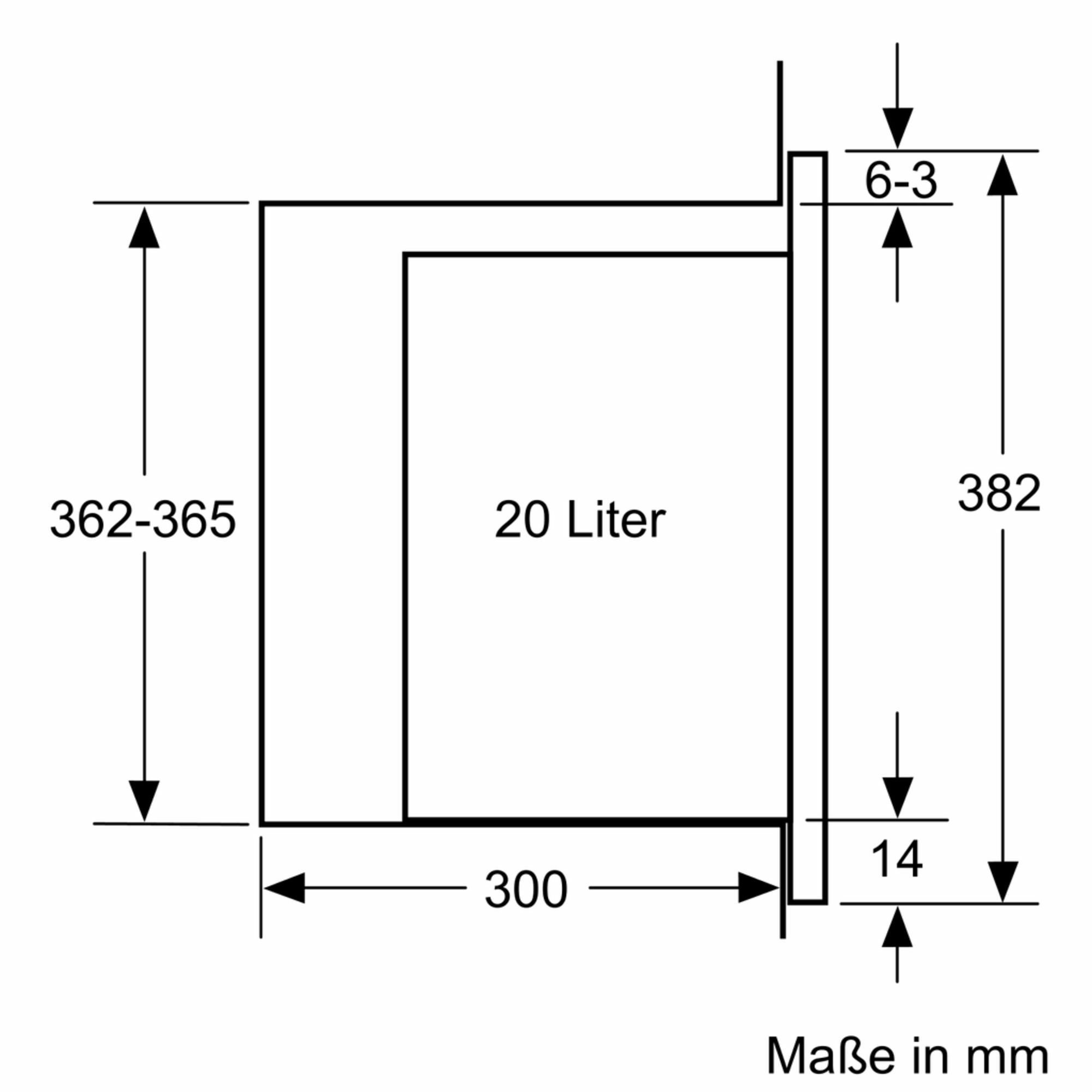
5 Mikrowellen-Leistungsstufen: 90 W, 180 W, 360 W, 600 W, 800 W Garraumvolumen: 20 l Design Garraum Edelstahl Reinigung humidClean Komfort LED-Display Elektronik-Uhr mit touchSlider, Starttaste, touchControl-Bedienung Leicht-Bedien-Konzept: besonders einfaches, problemloses Einstellen cookControl 7 Programme 4 Auftau- und 3 Garprogramme im Mikrowellenbetrieb Memory-Funktion (1 Speicherplatz) LED-Innenbeleuchtung 25.5 cm Glas-Drehteller Seitlich öffnende Drehtür, Anschlag links Elektronische Türöffnnung Bedienung über Sensortasten Zubehör 1 x Drehteller Umwelt und Sicherheit Sicherheitsabschaltung Türkontaktschalter Kühlgebläse Technische Info Länge des Anschlusskabels: 130 cm Gesamtanschlusswert Elektro: 1.27 kW Nennspannung: 220 - 230 V Einbaugerät für 60 cm breiten Oberschrank, Einbau in Hochschränke möglich Maße Gerätemaße (HxBxT): 382 x 594 x 317mm Nischenmaße (HxBxT): 365 mm x 560 mm x 300 mm Maße und Einbauhinweise zu diesem Gerät gemäß technischer Zeichnung beachten

technische Daten

Hersteller: Siemens MDA
Verpackungseinheit: 1
Bezeichnung: EB-Mikrowelle
Typenbezeichnung: BF525LMW0
Hersteller - Artikelnummer: BF525LMW0
Bauform: Einbaugerät
Bauart: einbaufähig
Art des Mikrowellengerätes: Mikrowelle-solo
Spannung: 220..230 V
Frequenz: 50 Hz
Anschlusswert: 1270 W
Absicherung des Gerätes: 10 A
Garraumfassungsvermögen: 20 l
Max. Mikrowellenleistung: 800 W
Gehäusegrundfarbe: grau
Höhe: 382 mm
Breite: 594 mm
Tiefe: 317 mm
Betriebsart Grill: nein
Betriebsart Heißluft: nein
Betriebsart Ober- und Unterhitze: nein
Automatikprogramme: ja
Steuerung: elektronisch
Anzahl der Leistungsstufen: 5
Drehteller: ja
Durchmesser des Drehtellers: 255 mm
Länge: 450
Breite: 390
Höhe: 650
Gewicht: 19,2
Zolltarifnummer: 85165000
Ursprungsland: CN
Reachkennzeichen: N
Kennzeichen Abakus: N
Artikelklasse: Mikrowellengerät

Lagerstatus

Lagerkennzeichen: Nichtlagerartikel (V) - Dieser Artikel kann bei positiven Lagerbestand nur noch abverkauft, jedoch nicht mehr beim Hersteller nachgeordert werden. Achten Sie daher auf die Livelagerabfrage bzw. auf die Statusmeldung unseres Lagers im Warenkorb.

Downloads

Produkt-Fragen

Ihre Frage zum Produkt