Alre-it Klimaregler elek. m.Triac superfl.AP 30°C 24V KTRTB-250.108

Art.Nr.: 10370630499

EAN: 4050528050243

Verkaufseinheit: 1 Stück

Hersteller:  Alre-it

Update: 16.02.26, 00:44 Uhr



Artikel nicht lagernd
Artikel nicht lagernd
Prüfe Expressversandoptionen...

39,11 EUR UVP 69,97 EUR Sie sparen 44.1% (30,86 EUR) inkl. 19 % USt


Produktbeschreibung

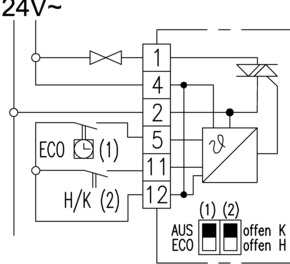
Dieser Regler wurde speziell zur Heiz-/Kühlregelung in 2-Rohr-Leitungssystemen für Hotel, Wohn- und Geschäftsräume entwickelt und kann bis zu 5 Ventilstellantriebe (stromlos geschlossen) ansteuern. Der KTRTB erfasst mit einem internen Fühler die Raumtemperatur und aktiviert entsprechend der Abweichung zum eingestellten Sollwert die Heizung bzw. Kühlung. Durch die Verwendung eines Triacs als Schaltelement statt eines Relais/Bimetalls entstehen keine Schaltgeräusche im Betrieb. Mit einem internem Schalter kann der vorhanden Kontakteingang als ECO-Kontakt oder Standby-Kontakt konfiguriert werden. ECO-Funktion: Wird diese Funktion gewählt, wird im Heizbetrieb auf eine um 3 K geringere und im Kühlbetrieb auf eine um 3 K höhere Temperatur geregelt. Standby-Funktion: Wird diese Funktion gewählt, wird der Regler ausgeschaltet (Frostschutz weiterhin aktiv). Aufputz-/Wandmontage (4-Loch-Befestigung auf UP-Dose).

technische Daten

Hersteller: Alre-it
Verpackungseinheit: 1
Bezeichnung: Klimaregler elek. m.Triac
Typenbezeichnung: KTRTB-250.108
Hersteller - Artikelnummer: MA700400
Art der Spannungsversorgung: 24 V AC
Anschluss: sonstige
Mit Empfänger: nein
Messbereich: 5..30 °C
Sensor extern: nein
Thermische Rückkopplung: ohne
Regelcharakteristik: sonstige
Geeignet für Heizen: ja
Anzahl der Ausgänge Heizung: 1
Geeignet für Kühlen: ja
Anzahl der Ausgänge Kühlung: 1
Differenzwert: 0 K
Differenz verstellbar: nein
Temperatur ablesbar: nein
Ausführung Aufnehmer/Fühler: Widerstandssensor
Montageart: Aufputz
Bedienung: Dreh
Kontaktausführung: Öffner (NC)
Max. Spannung der Kontakte: 24 V
Max. Kontaktbelastung: 0,625 A
Schutzart (IP): IP30
Schutzart (NEMA): sonstige
Explosionsgeschützt: nein
Farbe: weiß
RAL-Nummer: 9010
Höhe: 78,5 mm
Breite: 78 mm
Tiefe: 13,9 mm
Länge: 430
Breite: 200
Höhe: 82
Gewicht: 2,897
Zolltarifnummer: 90321020
Ursprungsland: DE
Reachkennzeichen: N
Kennzeichen Abakus: N
Artikelklasse: Raumthermostat

Lagerstatus

Lagerkennzeichen: Nichtlagerartikel () - Dieser Artikel kann bei positiven Lagerbestand nur noch abverkauft und auch beim Hersteller nachgeordert werden. Eine unter Umständen notwendige Nachbestellung beim Hersteller sollte nicht länger als 14 Tage in Anspruch nehmen. Achten Sie daher auf die Livelagerabfrage bzw. auf die Statusmeldung unseres Lagers im Warenkorb.

Downloads

Produkt-Fragen

Ihre Frage zum Produkt